融科建筑工程
首页
关于我们
产品中心
全球案例
联系我们
售前:18560597273
售后:18560597273
首页
水泵系列
碳钢内衬胶快开式毛发收集器
碳钢内衬胶快开式毛发收集器
产品介绍:
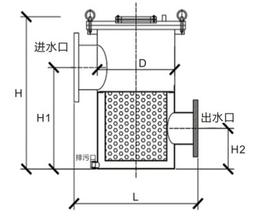
产品介绍: 泳池水处理必不可少的预处理装置,以筛网或带有孔眼的滤筒截留水中的较大颗粒的固体杂质通过,避免杂质损伤水泵叶轮,或进入过滤器阻塞滤料层影响过滤效率和出水水质。
18560597273
联系我们
分享:
产品详情
产品描述
技术参数
结构尺寸图
产品特点:
·快开式设计;顶部观察视窗;
316 L不锈钢提篮式过滤筒,便于清理;过滤筒眼总面积:大于2.5倍接管截面积。
产品推荐