售前:18560597273
售后:18560597273
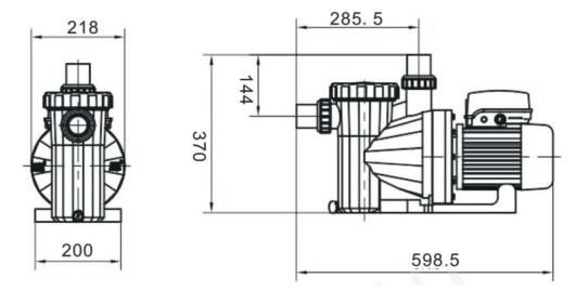
产品介绍:
产品特点:
·IP55防水标准;流量大;
·超静音;
·承压能力强,可达到6kglcm2;316不锈钢机轴;
·石墨/陶瓷机械密封;最高适用于60℃温泉.